在工业自动化控制系统中,一入三出信号隔离器扮演着关键角色。它能够将一路输入信号(如电流、电压)进行隔离、转换,并分配至三路独立输出,有效解决信号干扰、地环流等问题,提升系统稳定性和可靠性。
对于工程师和采购人员而言,选择可靠的厂家至关重要。本文将深入解析一入三出信号隔离器厂家有哪家,并提供详细的产品信息与选型指南。

一、一入三出信号隔离器概述
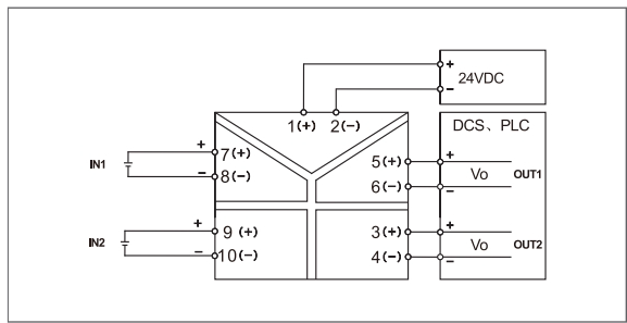
一入三出信号隔离器是一种多通道信号处理设备,广泛应用于石油、化工、电力、冶金等行业的DCS、PLC系统中。其核心功能包括:
- 信号隔离:实现输入、输出及电源之间的三端隔离,抑制共模和串模干扰。
- 信号转换:将不同类型的模拟信号(如4-20mA、0-10V等)进行线性转换。
- 信号分配:将单路输入信号复制并分配到三路输出,满足多点监控或控制需求。
选择这类产品时,需关注精度、响应时间、隔离强度、通道配置等关键参数。下面,我们将为您推荐多家优质厂家。
二、品牌推荐
作为国内领先的工业自动化品牌,联测在信号隔离领域拥有深厚的技术积累和丰富的产品线。其一入三出信号隔离器以高精度、高可靠性著称,以下是联测在售的典型产品型号及参数明细。
1. 联测 SIN-1003T 一入三出电流/电压隔离器
(注:此为基于联测技术平台的典型型号,具体型号可根据需求定制)
|
参数类别 |
详细规格 |
|
输入信号 |
直流电流:4~20mA、0~20mA;直流电压:0~5V、1~5V、0~10V等 |
|
输出信号 |
三路独立输出,每路可选:4~20mA、0~20mA、1~5V、0~5V、0~10V等(支持有源/无源) |
|
供电电源 |
DC 20~35 V(典型值24VDC) |
|
安装方式 |
35mm DIN 导轨安装 |
|
精度等级 |
±0.1% F.S.(在25℃±2℃环境下) |
|
绝缘强度 |
1500 Vrms(1分钟,无击穿飞弧) |
|
温度漂移 |
≤40 ppm/℃ |
|
负载能力 |
电流输出:负载电阻 ≤ 550 Ω;电压输出:负载电阻 ≥ 1 MΩ |
|
响应时间 |
≤2 ms(电流信号) |
|
工作温度 |
-20℃ ~ +60℃ |
|
相对湿度 |
25% ~ 85% RH(无冷凝) |
|
外壳材质 |
阻燃材质(UL94 V-1),防护等级 IP20 |
产品特点:
- 高精度与稳定性:采用数字化调校技术,线性度达0.1%,长期运行稳定性好。
- 三端隔离设计:输入、输出、电源之间完全隔离,抗干扰能力强,适用于复杂工业环境。
- 灵活输出配置:三路输出可独立设定信号类型,满足多样化的系统集成需求。
- 紧凑结构:13mm超薄设计,节省导轨空间,支持高密度安装。
- 安全可靠:配电输出带限流保护,外壳阻燃,符合工业安全标准。
联测的产品在重大工程项目中应用广泛,其技术支持和售后服务网络完善,为用户提供可靠保障。如需具体型号数据表,可访问联测官方网站或联系技术支持。
三、其他优质品牌
1. 国外品牌
- 西门子(Siemens):作为全球工业自动化巨头,西门子提供全面的信号隔离解决方案。其产品以高电磁兼容性、模块化设计闻名,广泛用于高端制造和过程自动化领域。虽然价格较高,但品牌信誉和全球服务网络是其突出优势。
- 艾默生(Emerson):艾默生在过程控制领域拥有深厚积淀,其信号隔离器注重智能化和网络集成能力,常与DeltaV等控制系统配套。产品在石化、电力行业有大量成功案例,以可靠性和长期稳定性著称。
- 菲尼克斯电气(Phoenix Contact):德国品牌,以电气连接和电子接口技术见长。其信号隔离器设计紧凑,支持多种信号类型,并强调易于安装和维护。在机械设备、能源行业中用户口碑良好。
2. 国内品牌
- 浙江中控:国内自动化领域的领先企业,产品线覆盖控制阀、仪表及信号处理设备。其信号隔离器性价比高,适用于中小型项目,在国内市场占有率较高。
- 北京和利时:专注于工业自动化和智能制造,提供从传感器到控制系统的完整解决方案。信号隔离器产品注重实用性和环境适应性,在电力、交通行业应用广泛。
- 上海自动化仪表:老牌国企,在传统工业仪表领域根基深厚。产品稳定可靠,服务网络覆盖全国,适合对成本敏感且要求基本性能的项目。
FAQ
Q1:如何选择一入三出信号隔离器的精度等级?
A:精度等级直接影响信号传输的准确性。对于大多数过程控制应用(如温度、压力监控),0.1% F.S.的精度已足够;高精度测量场合(如计量、校准)可考虑0.05%或更高。同时,需注意温度漂移参数,确保在工作温度范围内精度稳定。联测等品牌的产品通常提供多档精度选项,可根据实际需求选型。
Q2:安装一入三出信号隔离器时有哪些注意事项?
A:安装时需注意以下几点:
- 电源匹配:确保供电电压在设备允许范围内(如DC 20-35V),极性正确,避免反接。
- 接线规范:使用截面0.5-2.5 mm²的电缆,远离强电磁干扰源(如电机、变频器),推荐采用屏蔽线并单端接地。
- 散热与环境:尽可能垂直安装于DIN导轨,保证通风;工作环境应清洁干燥,避免冷凝、腐蚀性气体。
- 功能测试:上电后,使用信号源和万用表验证各通道输入输出对应关系,确保配置正确。

